通诚泵业CDLK/CDLKF不锈钢浸入式多级离心泵机床冷却泵高压油泵中心出水泵
通诚泵业CDLK/CDLKF不锈钢浸入式多级离心泵机床冷却泵高压油泵中心出水泵
产品价格:¥5000(人民币)
  • 规格:CDLK/CDLKF
  • 发货地:湖州
  • 品牌:
  • 最小起订量:1台
  • 免费会员
    会员级别:试用会员
    认证类型:企业认证
    企业证件:通过认证

    商铺名称:浙江通诚泵业有限公司

    联系人:(先生)

    联系手机:

    固定电话:

    企业邮箱:1391549234@139.com

    联系地址:浙江省湖州市德清县新安镇工业园区

    邮编:

    联系我时,请说是在新型建材网上看到的,谢谢!

    商品详情

      CDLK/CDLKF 浸入式多级离心泵

      结构特点

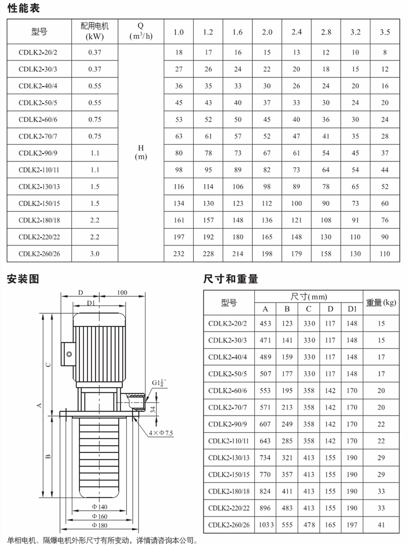
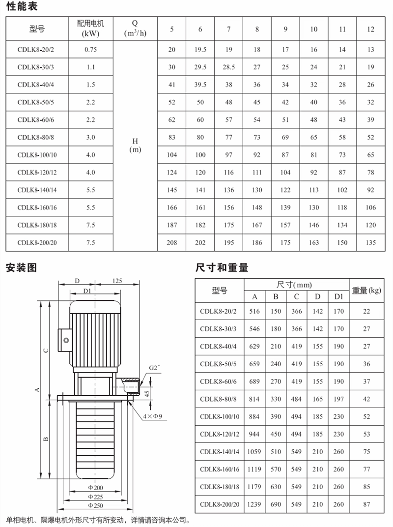
      CDLK/CDLKF为安装标准电机的非白吸浸入式多级离心泵,电机轴通过泵头用联轴器直接与泵轴联接,泵可根据需要配置智能保护器,对泵干转、缺相、过载等进行有效保护。为满足水槽或容器的安装深度,可安装空腔体来改变泵本身的长度,不同的级数长度见尺寸和重量表和可供产品范围表。应用于输送机床冷却液,润滑液,冷凝水输送,工业清洗设备和其它适合浸入式泵使用的场合,适应于不同温度、流量和压力范围,CDLK适用于无腐蚀性液体,CDLKF适用于轻度腐蚀性液体。

       

      性能优势概括

      >曲线容差符合ISO9906:2012,3B等级

      >空导叶结构设计,满足同扬程下不同的液位高度需求

      >F级绝缘、B级温升,标配NSK、SKF轴承,护航强劲动力输出

       

      产品应用领域

      >电火花、车床、磨床、加工中心。

      >冷却装置、工业清洗设备、过滤系统等

       

      下列说明适用于样本所示的曲线

      >所有曲线都基于电机在恒速2900 rpm的测量值。

      >曲线容差符合ISO9906:2012,3B等级。

      >测试采用20℃不含空气的水,运动粘度为1mm2/s。

      >使用参照加粗曲线的性能范围,以防流量过小产生过热和流量过大使电机过载等。


    0571-87774297