原装日本鹭宫制冷空调制冰机冷凝器风扇转速控制器RGE-X3R4-7
原装日本鹭宫制冷空调制冰机冷凝器风扇转速控制器RGE-X3R4-7
产品价格:¥9999.00(人民币)
  • 规格:RGE-X3R4-7
  • 发货地:广东深圳
  • 品牌:
  • 最小起订量:1
  • 免费会员
    会员级别:试用会员
    认证类型:企业认证
    企业证件:通过认证

    商铺名称:深圳市英达制冷机电有限公司

    联系人:晏晓海(先生)

    联系手机:

    固定电话:

    企业邮箱:xiaohai1012@163.com

    联系地址:深圳市福田区八卦岭523栋8楼817室

    邮编:518000

    联系我时,请说是在新型建材网上看到的,谢谢!

    商品详情
      产品参数
      是否进口
      重量1kg
      数量10个
      材质塑胶外壳
      类别压力
      产地日本
      颜色白色
      是否定制
      防护等级IP54
      品牌鹭宫
      适用范围氟化物制冷齐
      功能用途控制器调机转速
      包装规格三相电
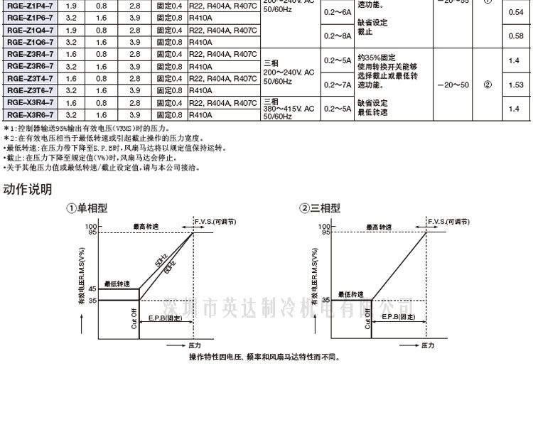
      订货号RGE-X3R4-7
      型号RGE-X3R4-7
      调整范围8-28kgf/cm2
      适用冷媒R22/R404A/R407C
      电压三相380~415V.ac
      额定电流0.2~5A
      环境温度-15~50摄氏度
      最高使用压力4.7MPA
      控制方法相控制







    0571-87774297