SMTSPM-102-10主轴异步伺服电机替代变频马达
SMTSPM-102-10主轴异步伺服电机替代变频马达
产品价格:¥6562.00(人民币)
  • 规格:黑色
  • 发货地:广东东莞
  • 品牌:
  • 最小起订量:1
  • 免费会员
    会员级别:试用会员
    认证类型:企业认证
    企业证件:通过认证

    商铺名称:广东粤元机电科技有限公司

    联系人:李凤妃(小姐)

    联系手机:

    固定电话:

    企业邮箱:yueyuan076@126.com

    联系地址:东莞市虎门镇龙眼二路49号

    邮编:523905

    联系我时,请说是在新型建材网上看到的,谢谢!

    商品详情
      产品参数
      是否进口
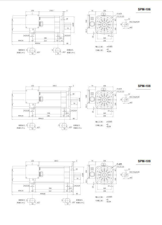
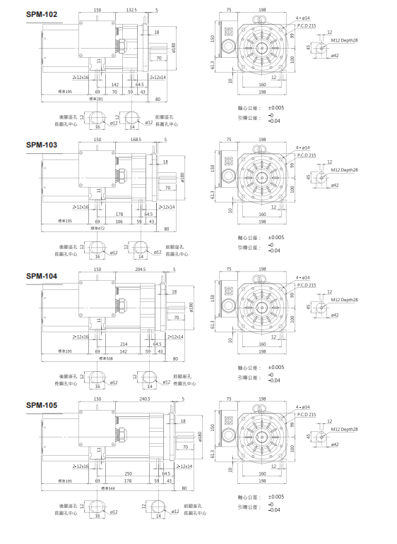
      额定功率4.75KW
      型号SPM-102-10
      重量41kg
      电机类型SPM-102-10
      额定速度Rpm1000
      额定扭矩Nm45
      额定频率HZ66.7
      额定电流 A8.8
      惯性Kg-cm260















    0571-87774297